Трансмиссия легкового автомобиля: устройство, функции и обслуживание


Трансмиссия легкового автомобиля – это сложная система, отвечающая за передачу крутящего момента от двигателя к ведущим колесам. Она играет ключевую роль в обеспечении оптимальной работы двигателя в различных условиях движения,…

Устройство и принцип работы автоматической трансмиссии (АКПП)


Автоматическая трансмиссия (АКПП) – это сложный и важный узел в автомобиле‚ который обеспечивает передачу крутящего момента от двигателя к колесам‚ автоматически изменяя передаточное число в зависимости от скорости движения и…

Устранение неисправностей тормозной системы автомобиля: полное руководство


Тормозная система автомобиля – это критически важный элемент, отвечающий за безопасность водителя и пассажиров; Неисправности в тормозах могут привести к серьезным последствиям, поэтому важно своевременно выявлять и устранять проблемы. В…

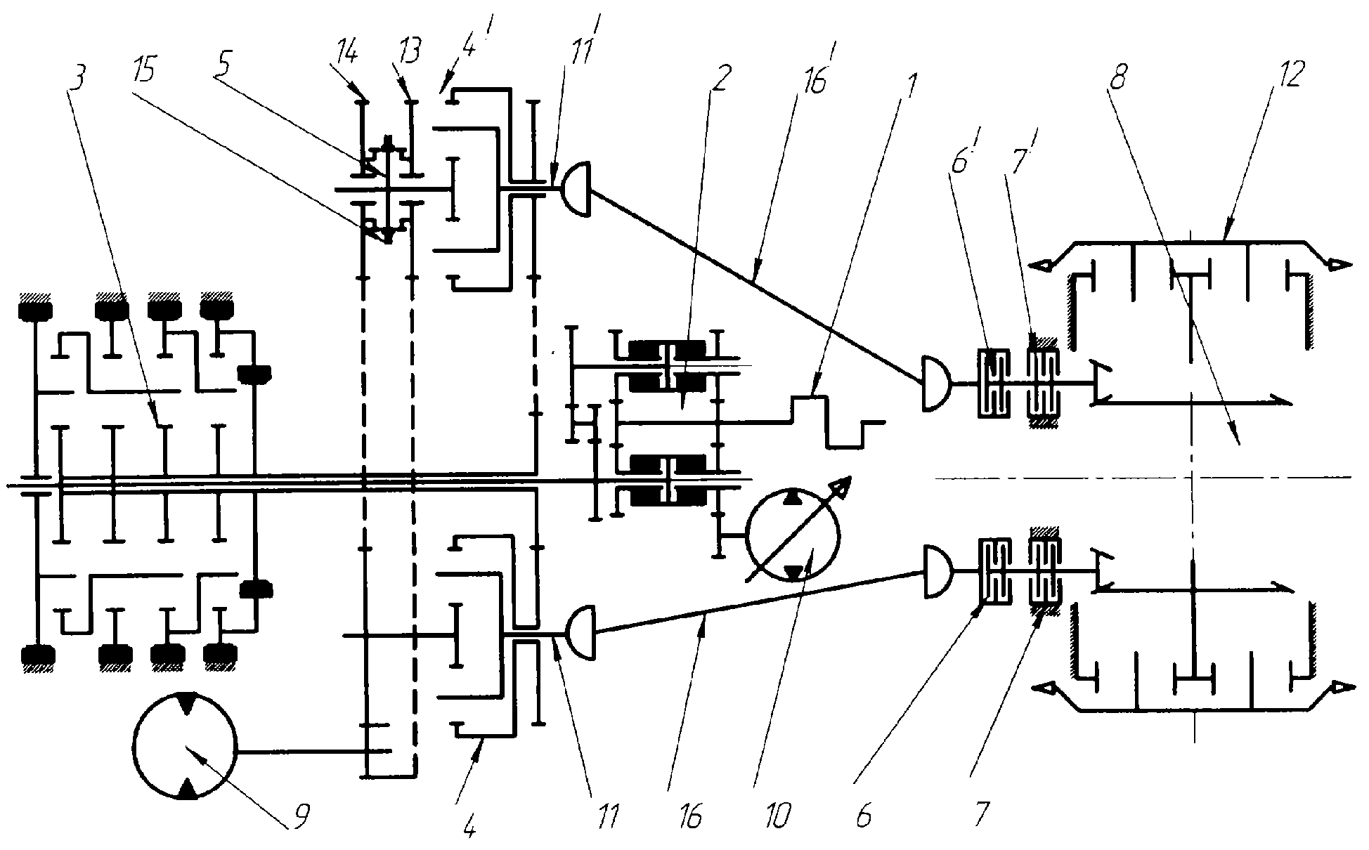
Трансмиссия гусеничных машин: устройство, типы и особенности


Трансмиссия гусеничной машины – это сложный и важный узел, обеспечивающий передачу крутящего момента от двигателя к ведущим колесам гусениц. Её работа напрямую влияет на проходимость, маневренность и общую эффективность машины.…

Электрические тормоза: принцип работы, преимущества и недостатки


В современном мире автомобильных технологий постоянно появляются инновации, направленные на повышение безопасности и эффективности транспортных средств․ Одной из таких разработок являются электрические тормоза․ Эта технология представляет собой значительный шаг вперед…

Эффективные методы удержания автомобиля на склоне


Управление автомобилем с механической коробкой передач на подъемах и спусках требует определенных навыков и знаний. Особенно важно уметь предотвратить скатывание машины назад при кратковременных остановках‚ например‚ перед светофором или в…

Когда менять тормозную жидкость: полное руководство


Тормозная жидкость – это жизненно важный компонент тормозной системы вашего автомобиля. Она отвечает за передачу усилия от педали тормоза к тормозным колодкам, обеспечивая эффективное и безопасное торможение. Несвоевременная замена тормозной…

Трансмиссия MAN: Типы, Сравнение и Обслуживание


Трансмиссия – это критически важный элемент любого автомобиля, а особенно грузового, такого как MAN. Она отвечает за передачу крутящего момента от двигателя к колесам, обеспечивая оптимальную производительность и экономичность в…

Автомобили с лучшими тормозами: Обзор и сравнение


Выбор автомобиля – это всегда компромисс между различными характеристиками. Одним из важнейших аспектов, влияющих на безопасность и управляемость, является тормозная система. От её эффективности зависит не только длина тормозного пути,…